- Главная
- Инструмент и оснастка
- Патроны
- Патроны Samchully
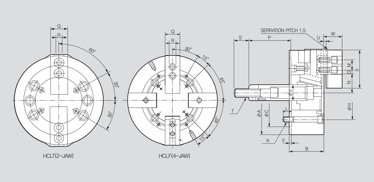
- Токарный патрон Samchully HCLT / HCLF
Токарный патрон Samchully HCLT / HCLF
Применение / преимущества
- Идеально подходит для вертикальных токарных станков, а также для прямоугольных и квадратных заготовок, не требующих сквозного отверстия
Технические особенности
- Патрон с клиново-крюковым механизмом, обеспечивающим высокое усилие зажима
| Параметр | HCLT-06 | HCLT-08 | HCLT-10 | HCLT-12 | HCLF-08 | HCLF-12 |
|---|---|---|---|---|---|---|
| Ход губок, мм | 13 | 16.2 | 18.1 | 19.4 | 16.2 | 19.4 |
| Ход плунжера, мм | 20 | 25 | 28 | 30 | 25 | 30 |
| Макс. диаметр зажима, мм | 165 | 210 | 254 | 304 | 210 | 304 |
| Мин. диаметр зажима, мм | 22 | 24 | 27 | 33 | 24 | 33 |
| Макс. допустимое входное усилие, кН (кгс) | 14 (1428) | 20 (2039) | 27 (2753) | 36 (3671) | 20 (2039) | 36 (3671) |
| Макс. статическое усилие зажима, кН (кгс) | 26 (2651) | 40 (4079) | 54 (5508) | 74 (7546) | 40 (4079) | 74 (7546) |
| Макс. число оборотов, мин⁻¹ | 4300 | 4300 | 3100 | 2500 | 3600 | 2500 |
| Масса, кг | 12.5 | 12.5 | 35.5 | 60.5 | 24 | 60.5 |
| Момент инерции, Н·м² (кг·м²) | 1.67 (0.17) | 1.67 (0.17) | 11.47 (1.17) | 27.75 (2.83) | 5.20 (0.53) | 27.75 (2.83) |
| Макс. гидравлическое давление, МПа (кгс/см²) | 2.06 (21.0) | 2.03 (20.7) | 1.93 (19.7) | 2.50 (25.5) | 2.03 (20.7) | 2.50 (25.5) |
| Рабочии цилиндр | Y-1020R | Y-1225R | Y-1530R | Y-1530R | Y-1225R | Y-1530R |
| Модель KITAGAWA | NLT-06 | NLT-08 | NLT-10 | NLT-12 | NLT-08 | NLT-12 |
Для заказов на сумму более 50 000 руб. доставка включена в стоимость.
В других случаях рассчитывается исходя из веса отправления и региона доставки.
Возможна доставка любой удобной для заказчика ТК
Сроки доставки от 1 до 3 дней по Центральному региону
По умолчанию мы работаем с двумя курьерскими компаниями:
Major — российская компания, занимающаяся продажей автомобилей и перевозками грузов. Крупнейший, наряду с «Рольфом», автодилер страны.
DPDgroup — международная служба экспресс-доставки. В среднем ежедневно доставляет более 5 миллионов посылок. Работает под торговой марками DPD.
Это наши проверенные партнеры. Однако если вы предпочитаете работать с другой курьерской службой, у нас нет ограничений. Просто сообщите нам об этом. Мы согласуем все условия и отправим заказ с полным комплектом сопутствующей документации.
Как оплатить?
Оплата принимается по безналичному расчету. После согласования заказа мы выставляем счет на оплату. Заказ считается оплаченным после поступления суммы заказа на расчетный счет ООО «Эффективное производство».
Как получить?
География доставки — вся Россия. При перевозке грузы подлежат страхованию. Обычно доставка входит в стоимость продукции.
Приобретая продукцию у нас, вы можете быть уверены, что получаете оригинальное сертифицированное оборудование, комплектующие и оснастку.
На весь представленный ассортимент распространяется гарантия завода-изготовителя. Для каждого конкретного изделия производитель устанавливает определенный гарантийный срок. Обычно он составляет 12-36 месяцев.
Согласно п. 1 ст. 471 Гражданского кодекса РФ гарантийный срок на товар исчисляется с момента фактической передачи его покупателю.
При наступлении гарантийного случая и отсутствии следов некорректной эксплуатации, осуществляется замена неисправного оборудования в соответствии с Законом о защите прав потребителей.
Если утрата функциональности изделия связана с механическими повреждениями, попытками модификации или ремонта, нецелесообразным использованием, то компания ООО «Эффективное производство» не несет за это ответственности, а действие гарантийных обязательств прекращается.
Иногда мы сталкиваемся с ситуацией, когда подлинные запчасти работают некорректно, т.к. нарушена технология их установки. В таком случае наши инженеры удаленно помогают клиентам наладить эксплуатацию.




































